Brand
:
Robotistan
Product Code
:
17967
Out Of Stock
Notify me when its in stockTrimpots, voltage divider and contrast adjustment circuits are used in circuits which need to be adjusted precisely and resistance adjustment is not required.
Technical specifications:
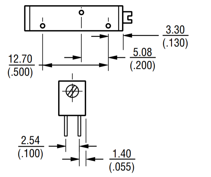
Technical Drawing:
Technical Documents: