Free Shipping on Orders Over 1,500 TL | Up to 6 Credit Card Installments
All Categories
Menu
Cart

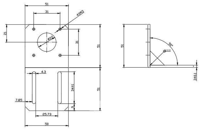
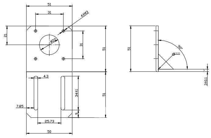
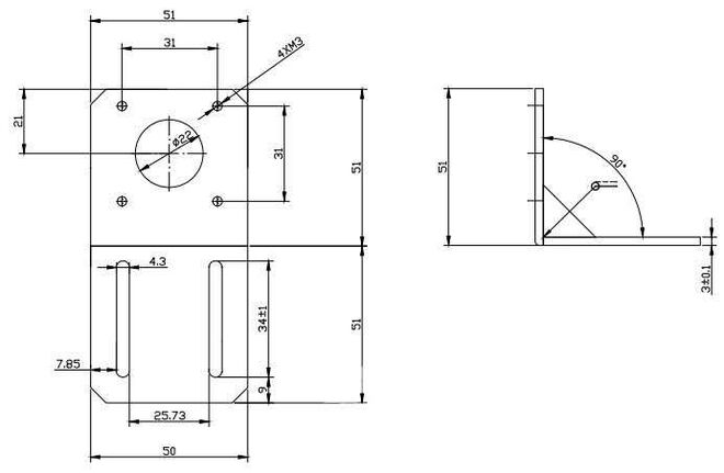
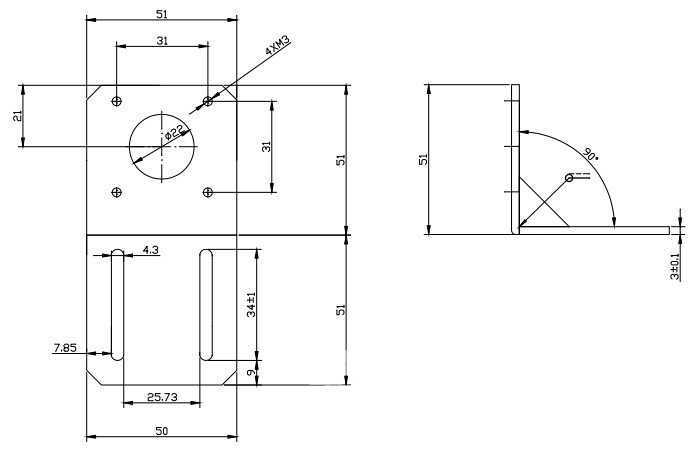
Nema17 Stepper Motor Mount - Steel

Nema17 Stepper Motor Mount, the outer casing is made of steel. It is built to allow you to securely mount typical NEMA17 size stepper motors to your project. The bracket includes various slots and holes for a wide variety of mounting solutions, so you need to fix the motor to the bracket with four M3 × 6mm screws. However, when you use the motor connection apparatus with different stepper motors, different screws may be required.

Nema17 Stepper Motor Mount Features;

  • Material: Steel
  • Weight: 15g
  • Elbow Thickness: 3mm
21888
Nema17 Stepper Motor Mount - Steel
Nema17 Stepper Motor Mount - Steel
:
80.96 TL + VAT
:
97.16 TL
Prepared by  T-Soft E-Commerce.