Out Of Stock
Notify me when its in stockThis board operates from 4.5 V to 40 V and can deliver continuous currents up to around 8 A. Digital GPIO pins of microcontrollers can be controlled by the bushbutton on the board. Additionally there is reverse voltage protection on the board. You can on-off by pushing the button once.
This circuit is made of 2 P channel MOSFETs and works with positive signal delivering principal. As high current does not flow the push button on the board, it is possible to deliver high current by using a digital out pin of a microcontroller. You can use this board in your projects as relays.
Features:
Usage:
The simplest way to control the Pushbutton Power Switch is via its installed pushbutton: one push turns on power and another turns it off.
A and B pins: It is possible to use them by connecting to one of push buttons with the same functionality. Connect A pin through momentary switch to ground for on-only operation.
ON pin: A high pulse (> 1 V) on this pin turns on the switch.
OFF pin: A high pulse (> 1 V) on this pin turns off the switch.
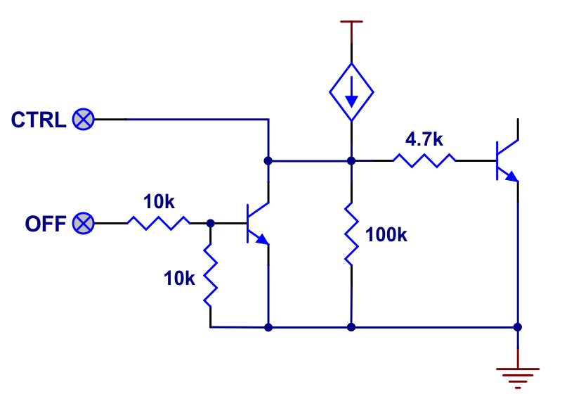
CTRL pin: This pin directly determines the state of the switch. A high pulse (> 1 V) on this pin turns on the switch; a low pulse (e.g. driving the pin low with a microcontroller output line or pushing a button connected from this pin to ground) turns the switch off. Leave this pin disconnected or floating when not trying to set the switch state. Note that this pin should not be driven high at the same time the “OFF” pin is driven high.
Circuit Schematics:


