Tükendi
Gelince Haber VerHD74HC76P DIP Entegre
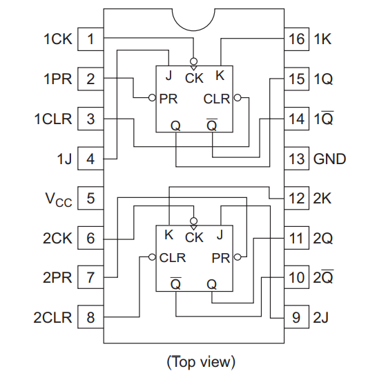
HD74HC76P, iki adet bağımsız J-K flip-flop içeren, preset ve clear girişlerine sahip yüksek performanslı bir dijital entegredir. CMOS HC teknolojisi ile üretilmiş olan bu entegre, düşük güç tüketimi ve yüksek hız gerektiren dijital devre uygulamaları için idealdir.
Her bir flip-flop, J ve K veri girişlerinin yanı sıra bağımsız clock (saat), preset ve clear girişlerine sahiptir. Saat sinyalinin negatif kenarında tetiklenen yapı sayesinde kararlı ve güvenilir çalışma sunar. Preset ve clear girişleri saatten bağımsız olarak çalışır ve düşük lojik seviyede aktif hale gelir.
HD74HC76P DIP paket yapısı sayesinde breadboard ve delikli pertinaks üzerinde kolay montaj imkânı sunar. Sayıcı devreleri, kayıt (register) uygulamaları, frekans bölücüler ve çeşitli lojik kontrol devrelerinde yaygın olarak kullanılır.

HD74HC76P DIP Entegre Teknik Özellikleri:
Entegre tipi: Çift J-K Flip-Flop
Çalışma gerilimi: 2V – 6V
Saat tetikleme: Negatif kenar tetiklemeli
Preset ve Clear girişleri: Aktif düşük (Low)
Yüksek hız: Tipik 21 ns clock-to-Q gecikmesi
Düşük güç tüketimi
Paket tipi: DIP-16
Çalışma sıcaklığı: -40°C ~ +85°C
Faydalı Linkler / Dokümanlar:
Benzer Ürünler: